Descriere
Electromotor VW GOLF VI Van (5K1_) 1.6 TDi diesel 90 cai BORSEHUNG B18164
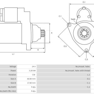
Diametrul orificiului [mm]: 12,5Tensiune [V]: 12Putere electromotor [kW]: 1Voltaj [V]: 12Pozitie initiala-Pinion [mm]: 52,5Unghi de fixare (Grade): 40Numarul gaurilor de fixare: 2Lungime [mm]: 195Numar dinti: 10Clema: 30,50Directia de rotatie: rotatie contrar acelor de ceasornicDiametru flanșă [mm]: 76Numarul gaurilor filetate: 0Varianta starter: revenire libera





Recenzii
Nu există recenzii până acum.