Descriere
Disc frana VW GOLF VI Cabriolet (517) 2.0 TSI benzina 220 cai DON PCD10012
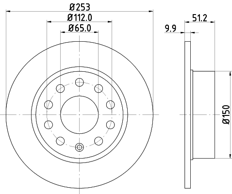
Partea de montare: puntea spatept. numar PR: 1KDTip disc frâna: plinDiametru exterior [mm]: 253Grosime disc frâna [mm]: 9,9Înaltime [mm]: 51,2Grosime minima [mm]: 8Suprafata: acoperit parțialDiametru interior [mm]: 140,1Asezare gauri Ø [mm]: 112Diametru de centrare [mm]: 65Asezare gauri/numar gauri: 05/10Diametru alezaj bolț roată [mm]: 15,3Articol completare/Info suplimentar 2: fara butuc roata, fara rulment roata, fara suruburi de fixare roataLungime ambalaj [cm]: 26,9Latime ambalaj [cm]: 26,9Inaltime ambalaj [cm]: 13,4Greutate [kg]: 3,6





Recenzii
Nu există recenzii până acum.