Descriere
Disc frana VW CRAFTER caroserie (SY_, SX_) 2.0 TDI RWD diesel 163 cai BOSCH 0 986 479 F22
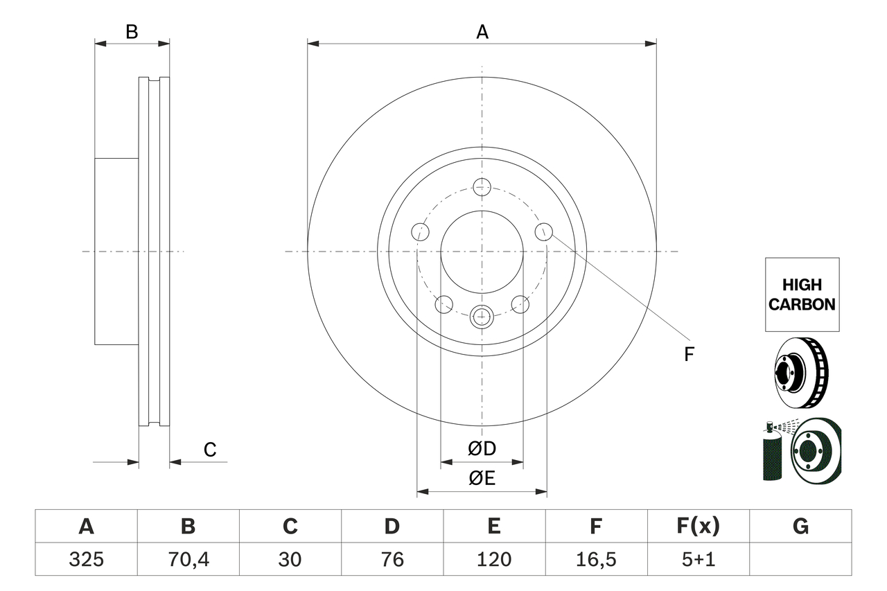
Partea de montare: punte fatapt. numar PR: 1LCDiametru exterior [mm]: 325Grosime disc frâna [mm]: 30Grosime minima [mm]: 27Înaltime [mm]: 70,4Asezare gauri Ø [mm]: 120Tip disc frâna: ventilatDiametru de centrare [mm]: 76Numar gauri: 5Suprafata: acoperit (cu un strat protector)Procesare: continut ridicat de carbonindeplineste normele ECE: ECE-R90Diametru gaura pana la [mm]: 16,5





Recenzii
Nu există recenzii până acum.