Descriere
Disc frana VW CADDY ALLTRACK Autoutilitara/limuzina spatioasa (SAA) 2.0 TDI diesel 150 cai DON PCD10062
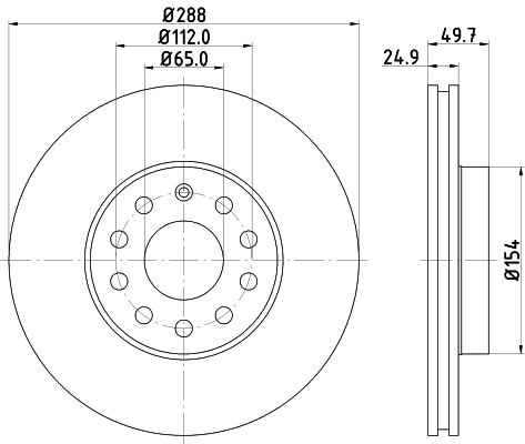
Partea de montare: punte fatapt. numar PR: 1ZETip disc frâna: ventilat interiorDiametru exterior [mm]: 288Grosime disc frâna [mm]: 24,9Înaltime [mm]: 49,7Grosime minima [mm]: 22Suprafata: acoperit parțialDiametru interior [mm]: 144Asezare gauri Ø [mm]: 112Diametru de centrare [mm]: 65Asezare gauri/numar gauri: 05/10Diametru alezaj bolț roată [mm]: 15,3Articol completare/Info suplimentar 2: fara butuc roata, fara rulment roata, fara suruburi de fixare roataLungime ambalaj [cm]: 31,5Latime ambalaj [cm]: 31,5Inaltime ambalaj [cm]: 12,2Greutate [kg]: 7,3





Recenzii
Nu există recenzii până acum.