Descriere
Disc frana VOLVO C30 (533) 1.8 benzina 125 cai DON PCD10322
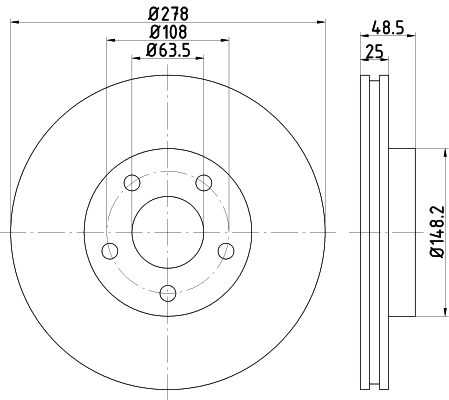
Partea de montare: punte fata ->Dimensiune frane: 15″Tip disc frâna: ventilat interior ->Diametru exterior [mm]: 278 ->Grosime disc frâna [mm]: 25Înaltime [mm]: 48,5 ->Grosime minima [mm]: 23Suprafata: acoperit parțial ->Diametru interior [mm]: 140Asezare gauri Ø [mm]: 108 ->Diametru de centrare [mm]: 63,6Asezare gauri/numar gauri: 05/05 ->Diametru alezaj bolț roată [mm]: 13,8Articol completare/Info suplimentar 2: fara butuc roata, fara rulment roata, fara suruburi de fixare roata ->Lungime ambalaj [cm]: 31,5 ->Latime ambalaj [cm]: 31,5 ->Inaltime ambalaj [cm]: 12,2 ->Greutate [kg]: 7,4





Recenzii
Nu există recenzii până acum.