Descriere
Disc frana TOYOTA RAV 4 IV (_A4_) 2.5 Hybrid 4WD (AVA44, AVA44_) benzina/elector 197 cai BOSCH 0 986 479 G63
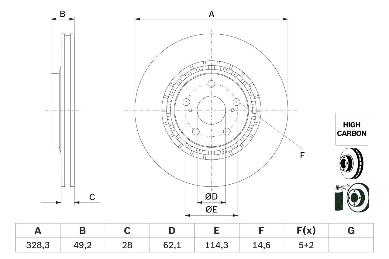
An fabricatie pana la: 201810Partea de montare: punte fatapt. cod original (OE): 43512 48110Diametru exterior [mm]: 328,3Grosime disc frâna [mm]: 28Grosime minima [mm]: 25Înaltime [mm]: 49,2Asezare gauri Ø [mm]: 114,3Tip disc frâna: ventilatDiametru de centrare [mm]: 62,1Numar gauri: 5Suprafata: acoperit (cu un strat protector)Procesare: continut ridicat de carbonindeplineste normele ECE: ECE-R90Diametru gaura pana la [mm]: 14,6





Recenzii
Nu există recenzii până acum.