Descriere
Disc frana TOYOTA CELICA cupe (_T23_) 1.8 16V TS (ZZT231_, ZZT231R) benzina 192 cai BOSCH 0 986 479 429
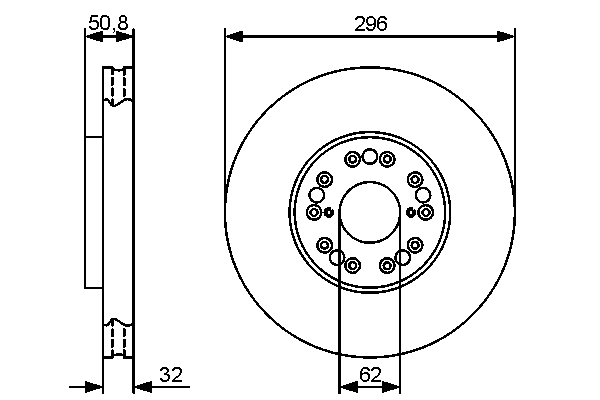
Partea de montare: punte fataMarime janta [inch]: 16,0Diametru exterior [mm]: 296Grosime disc frâna [mm]: 32Grosime minima [mm]: 30Înaltime [mm]: 50,7Asezare gauri Ø [mm]: 114,3Tip disc frâna: ventilatDiametru de centrare [mm]: 62Numar gauri: 5Suprafata: acoperit (cu un strat protector)indeplineste normele ECE: ECE-R90Diametru gaura pana la [mm]: 14,6





Recenzii
Nu există recenzii până acum.