Descriere
Disc frana TOYOTA AURIS combi (_E18_) 1.2 (NRE185_, NRE185R, NRE185H) benzina 116 cai METELLI 23-1523C
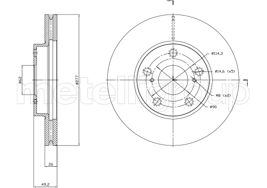
Partea de montare: punte fataAprobare: ECE-R90Înaltime [mm]: 49,2Tip disc frâna: ventilatGrosime disc frâna [mm]: 26,0Diametru exterior [mm]: 277,0Numar gauri: 5Asezare gauri Ø [mm]: 62,0Suprafata: lacuit





Recenzii
Nu există recenzii până acum.