Descriere
Disc frana SKODA KAROQ (NU7, ND7) 1.6 TDI diesel 115 cai DON PCD10062
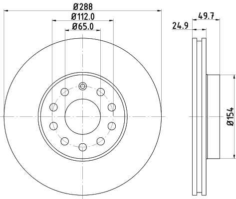
Partea de montare: punte fatapt. numar PR: 1ZE, 1ZJTip disc frâna: ventilat interior ->Diametru exterior [mm]: 288 ->Grosime disc frâna [mm]: 24,9Înaltime [mm]: 49,7 ->Grosime minima [mm]: 22Suprafata: acoperit parțial ->Diametru interior [mm]: 144Asezare gauri Ø [mm]: 112 ->Diametru de centrare [mm]: 65Asezare gauri/numar gauri: 05/10 ->Diametru alezaj bolț roată [mm]: 15,3Articol completare/Info suplimentar 2: fara butuc roata, fara rulment roata, fara suruburi de fixare roata ->Lungime ambalaj [cm]: 31,5 ->Latime ambalaj [cm]: 31,5 ->Inaltime ambalaj [cm]: 12,2 ->Greutate [kg]: 7,3





Recenzii
Nu există recenzii până acum.