Descriere
Disc frana MITSUBISHI L200 / TRITON platou / sasiu (KA_T, KB_T) 2.5 DI-D (KA4T) diesel 136 cai TEXTAR 92270803
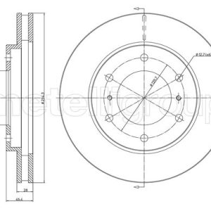
Partea de montare: punte fataSasiu: pentru vehicule fara garda la sol maritaTip disc frâna: ventilat interiorDiametru exterior [mm]: 270Grosime disc frâna [mm]: 28Înaltime [mm]: 51,5Grosime minima [mm]: 26,4Suprafata: acoperit (cu un strat protector)Diametru interior [mm]: 145Asezare gauri Ø [mm]: 114,3Diametru de centrare [mm]: 69Asezare gauri/numar gauri: 05/07Diametru alezaj bolț roată [mm]: 12,5Articol completare/Info suplimentar 2: fara butuc roata, fara rulment roata, fara suruburi de fixare roataLungime ambalaj [cm]: 27,8Latime ambalaj [cm]: 27,8Inaltime ambalaj [cm]: 12,2Greutate [kg]: 6,5





Recenzii
Nu există recenzii până acum.