Descriere
Electromotor VW GOLF VI Van (5K1_) 1.6 TDi diesel 90 cai AS-PL S3096SR
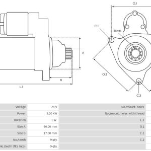
Restrictiile producatorului: VALEOPutere electromotor [kW]: 2Tensiune [V]: 12Numarul gaurilor de fixare: 3Directia de rotatie: rotatie contrar acelor de ceasornicNumar dinti: 12Calitate: STANDARD LINEPiesă de schimb fără gaj





Recenzii
Nu există recenzii până acum.