Descriere
Electromotor VW GOLF VI (5K1) 2.0 TDI diesel 110 cai AS-PL S0632S
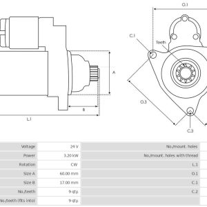
Restrictiile producatorului: BOSCHPutere electromotor [kW]: 2Tensiune [V]: 12Numarul gaurilor de fixare: 2Directia de rotatie: rotatie contrar acelor de ceasornicNumar dinti: 13Versiune: 0001153005Calitate: STANDARD LINEPiesă nouă fără gaj





Recenzii
Nu există recenzii până acum.