Descriere
Electromotor VW GOLF VAN VII Variant (BA5) 1.6 TDi BlueMotion diesel 110 cai HELLA 8EA 012 528-531
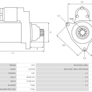
Echipament vehicul: pentru vehicole cu reutilizare energie de franare, Pentru autovehicole cu Functie-Strat-Stoputilizabil pentru vehicule cu putere de start [kW]: 2,0Restrictiile producatorului: DENSOCod motor: CRKB, CXXBpt. numar PR: 7L6Tensiune [V]: 12Putere electromotor [kW]: 2,2Numarul gaurilor de fixare: 3Pozitie initiala-Pinion [mm]: 52Numar dinti: 13Directia de rotatie: rotatie contrar acelor de ceasornicDiametru flanșă [mm]: 79Returnarea pieselor vechi nu este necesaraPiesă nouă fără gajMontarea/demontarea de personal de specialitate necesară!





Recenzii
Nu există recenzii până acum.