Descriere
Disc frana VW GOLF SPORTSVAN VII (AM1, AN1) 1.4 TSI benzina 150 cai DON PCD10052
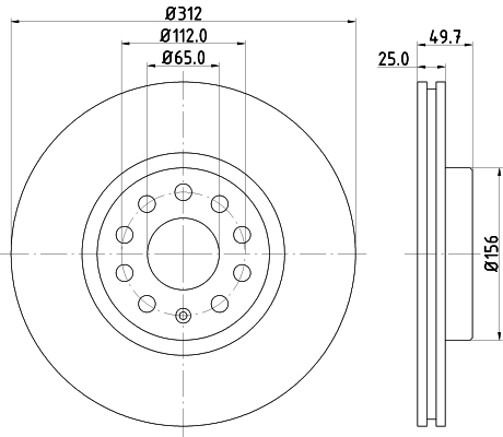
Partea de montare: punte fatapt. numar PR: 1ZATip disc frâna: ventilat interiorDiametru exterior [mm]: 312Grosime disc frâna [mm]: 25Înaltime [mm]: 49,7Grosime minima [mm]: 22Suprafata: acoperit parțialDiametru interior [mm]: 144Asezare gauri Ø [mm]: 112Diametru de centrare [mm]: 65Asezare gauri/numar gauri: 05/10Diametru alezaj bolț roată [mm]: 15,3Articol completare/Info suplimentar 2: fara butuc roata, fara rulment roata, fara suruburi de fixare roataLungime ambalaj [cm]: 33,5Latime ambalaj [cm]: 33,5Inaltime ambalaj [cm]: 12,3Greutate [kg]: 8,6





Recenzii
Nu există recenzii până acum.