Descriere
Disc frana VW GOLF SPORTSVAN VII (AM1, AN1) 1.2 TSI benzina 86 cai METELLI 23-1767C
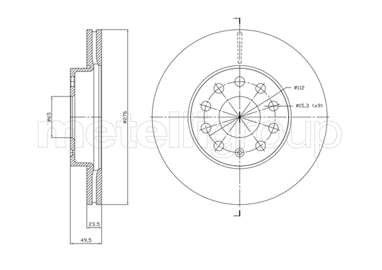
pt. numar PR: 1ZFPartea de montare: punte fataAprobare: ECE-R90Înaltime [mm]: 49,5Tip disc frâna: ventilatGrosime disc frâna [mm]: 23,5Diametru exterior [mm]: 276,0Numar gauri: 9Asezare gauri Ø [mm]: 65,0Suprafata: lacuit





Recenzii
Nu există recenzii până acum.