Descriere
Burduf suspensie pneumatica VOLVO FM II FM 410 diesel 410 cai FEBI BILSTEIN 104536
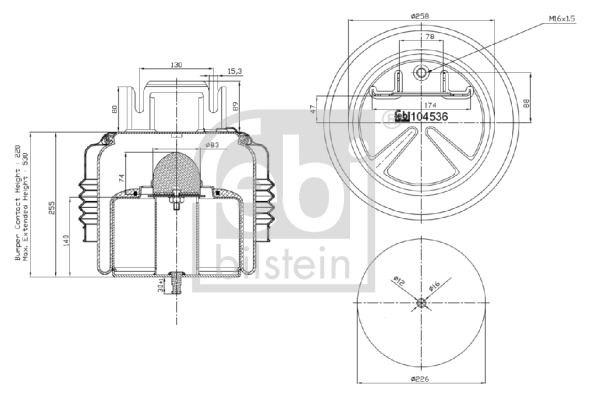
->Grosime [mm]: 220, 530 ->Diametru exterior [mm]: 226, 258 ->Dimensiune filet exterior: M16 x 1,5Partea de montare: punte fata ->Greutate [kg]: 9,8Articol extins/Informatii de extindere: cu capotă izolantă





Recenzii
Nu există recenzii până acum.