Descriere
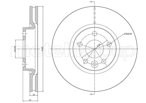
Disc frana METELLI 23-0896C LAND ROVER RANGE ROVER EVOQUE (L538) 2,179 cmc (224DT(DW12BTED4) diesel 150 METELLI 23-0896C
Disc frana METELLI 23-0896C; An fabricatie de la: 200701; Aprobare: ECE-R90; Diametru de centrare [mm]: 63,5; Diametru exterior [mm]: 300,0; Dimensiuni anvelopa: 16; Grosime disc frâna [mm]: 28,0; Înaltime [mm]: 52,0; Numar gauri: 5; Partea de montare: punte fata; Serie șasiu (VIN) începând cu: GH000001; Serie șasiu (VIN)până la: FH999999; Sistem de frânare: Brake 16Inch; Suprafata: lacuit; Tip disc frâna: ventilat





Recenzii
Nu există recenzii până acum.