Descriere
Disc frana DON PCD10632 DACIA SANDERO 1,598 cmc (K7M 710, K7M 718) benzina 87 DON PCD10632
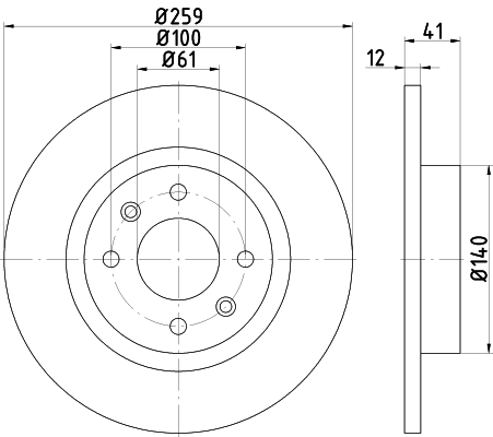
Disc frana DON PCD10632; Articol completare/Info suplimentar 2: fara butuc roata, fara rulment roata, fara suruburi de fixare roata; Asezare gauri Ø [mm]: 100; Asezare gauri/numar gauri: 04/06; Diametru alezaj bolț roată [mm]: 13,5; Diametru de centrare [mm]: 61; Diametru exterior [mm]: 259; Diametru interior [mm]: 130; Greutate [kg]: 4,2; Grosime disc frâna [mm]: 12; Grosime minima [mm]: 10,6; Inaltime ambalaj [cm]: 10,4; Înaltime [mm]: 41; Latime ambalaj [cm]: 28,4; Lungime ambalaj [cm]: 28,4; Partea de montare: punte fata; Suprafata: acoperit parțial; Tip disc frâna: plin





Recenzii
Nu există recenzii până acum.