Descriere
Disc frana DELPHI BG4459C DACIA LODGY (JS_) 1,461 cmc (K9K 846, K9K 666) diesel 110 DELPHI BG4459C
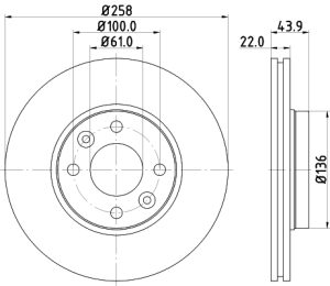
Disc frana DELPHI BG4459C; An fabricatie de la: 202008; An fabricatie pana la: 201601; Aprobare: E1 90R-02C0300/1357; Articole dinamica de franare / mers: nu pentru ESP; Cod de echipare: CHANOR; Diametru de centrare [mm]: 61; Diametru exterior [mm]: 258; Dinamica frânare/conducere: pentru vehicule cu ABS; Grosime disc frâna [mm]: 22; Grosime minima [mm]: 19,8; Înaltime [mm]: 43,9; Numar gauri: 4; Partea de montare: punte fata; Procesare: continut ridicat de carbon; Sistem de frânare: TRW; Suprafata: acoperit (cu un strat protector); Tip disc frâna: ventilat





Recenzii
Nu există recenzii până acum.